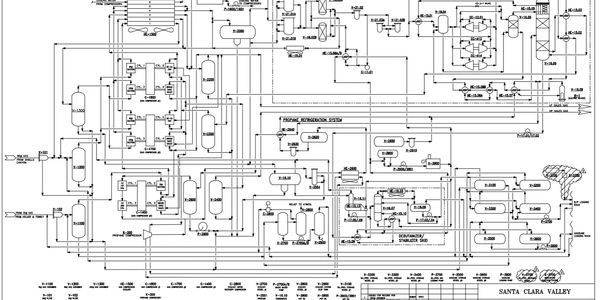
NRG Environmental's innovative approach to LDAR programs not only prioritizes environmental responsibility but also stands out for its significant cost-saving features. By leveraging cutting-edge technologies such as GIS Route Sequencing and P&ID route sequencing, NRG Environmental optimizes inspection routes with remarkable precision. This not only streamlines the entire process but also minimizes operational costs associated with travel time and resource utilization. The utilization of Geographic Information System (GIS) and Pipeline & Instrumentation Diagram (P&ID) route sequencing ensures that inspections are conducted in the most efficient and strategic manner, ultimately leading to substantial savings for businesses.


NRG Environmentals uses OGI cameras and Remote Methane Laser Detectors (RMLD) in LDAR inspections offers a transformative solution that significantly accelerates the inspection process while concurrently delivering substantial cost savings. OGI cameras enable swift and comprehensive leak detection by providing real-time, high-resolution imagery of fugitive emissions, facilitating rapid identification and localization of leaks. In tandem, Remote Methane Laser Detectors offer remote sensing capabilities, allowing LDAR inspectors to survey large areas efficiently from a distance. This combined technology not only expedites the inspection timeline but also reduces the need for extensive manual labor, leading to substantial cost reductions in manpower and operational expenses. By enhancing inspection speed and cost-effectiveness, OGI cameras and RMLDs present a streamlined and economically advantageous approach to Leak Detection and Repair (LDAR) activities, ensuring environmental compliance and operational efficiency for industries.
NRG Environmental was able to identify a casing leak then quantified with our PHX42 FID.
NRG Environmental LDAR technicians identified a VR line leak.
NRG Environmental LDAR Technician using the Remote Methane Laser Detector (RMLD-CS) to screen for methane leaks.
We use cookies to analyze website traffic and optimize your website experience. By accepting our use of cookies, your data will be aggregated with all other user data.